
Modelo | MH-VSM | MH-VSM2600 |
Largura máxima do folheado | <2600mm | <1300mm |
Espessura do folheado | 1-4mm | 1-4mm |
Velocidade | 30-100m/min | 30-100m/min |
classificação de folheados | 3 caixas | 2 caixas |
Tamanho da máquina | 8000*2100*3900mm | 6500*2100*3900mm |
SHANDONG MINGHUNG WOOD MACHINERY CO.,LTD
LOCAL NA REDE INTERNET: www.plywoodmachineline.com
E-MAIL: minghungmachinery@gmail.com
WHATSAPP: +8618769900191
+8615589105786
Catálogo
Capítulo 1、Estrutura mecânica..................................................................1-4
Capítulo 2、Cabine e tela.........................................................................5-16
Capítulo 3、Preparação da instalação ..................................................................17-22
Capítulo 4 、Teste de funcionamento da máquina ...................................................................23-31
Capítulo 5、Problemas e soluções comuns..................................................32-36
Capítulo 6、Manutenção da máquina...................................................................37-40
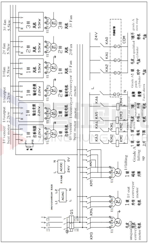
Capítulo 7、Diagrama de circuito......................................................................41
Capítulo 1、Estrutura mecânica





1-Dispositivo de classificação de facetas 2-1 # transportador 3- 2 # transportador 4-Empurre o cilindro
5- Conto de levantamento 6- Transportador de saída 7 -Estação hidráulica 8-Transportador de folheado não qualificado

9- 1# Motor de batida de lâmina10- 1#Dispositivo de batida de lâmina11- 1# Ventilador/Motor12- 2# Ventilador/Motor
13-2#Dispositivo de batida de faceta14- 2#Motor de batida de facetaA- sensor de batida de faceta

3-2 # transportador 15-Air Way B-folheado chegar sensor C-Up sensor de limite

Sensor de limite C-Up Sensores de classificação D-folheado Sensor de limite inferior E
Sensor transportador F-Out Sensor de limite G-out


Capítulo 2、Cabine e tela






1-Potência de comutação 2-Interruptor principal 3-Transformador isolado 4-Interruptor de ar 5-Contactor 6-Lista de terminais 7-PLC
8-relé 9-ventilador inversor 10-transportador inversor 11-servo driver 12-motor junta de fio


1 | Detecção de largura | Largura atual do folheado do detector | 9 | Interruptor manual | Vá para a página de operação manual |
2 | Conjunto de largura do folheado | A largura do folheado será empilhada | 10 | Configuração de valor | Ir para a página de configuração de valor |
3 | O defeito do folheado permite | Área de defeito/área de folheado de peça inteira | 11 | Velocidade | 1# velocidade do transportador de detector |
4 | Classificação do cilindro para cima | Tempo de fechamento do cilindro de classificação após queda de folheado não qualificado | 12 | Detecção de defeito de faceta | O folheado atual detecta taxa de detector |
5 | Classificando o cilindro para baixo | Classificando o tempo aberto do cilindro | 13 | Quantidade de empilhador de folheado | Todos os folheados empilhados Quantidade |
6 | Modo de trabalho | Exibição do modo de trabalho | 14 | Pilha de verniz atual | Quantidade de empilhador de folheado atual |
7 | Redefinição de falha | Problema resolvido, máquina retorna ao normal | 15 | Valor do Alarme | Conjunto de quantidade máxima do empilhador |
8 | Sensores de classificação | Ir para a página de classificação de sensores
|
|
|
|








|
1 | Classificação do cilindro para cima | Tempo de fechamento do cilindro de classificação após queda de folheado não qualificado | 8 | Subsídio de largura do folheado de grau A | A taxa de faixa de largura que Grau A |
2 | Classificando o cilindro para baixo | Classificando o tempo aberto do cilindro | 9 | Quantidade de folheado de grau A por push | Quantidade de cilindro de pressão uma ação |
3 | Largura máxima permitida | Subsídio máximo de largura de folheado qualificado | 10 | Atraso de push de grau A | Empurre o tempo de abertura do cilindro após a queda do folheado |
4 | Subsídio de largura mínima | Subsídio máximo de largura de folheado qualificado | 11 | Empurrar manter | Empurre o tempo de manutenção do cilindro |
5 | Conjunto de largura do folheado | A largura do folheado será empilhada | 12 | Ajuste de potência do ventilador | Ir para a página de poder dos fãs |
6 | O defeito do folheado permite | Área de defeito/área de folheado de peça inteira | 13 | Detectando revisão de largura | Ir para a página de revisão de largura |
7 | Grau A Defeito de faceta permitir | Área de defeito do folheado Grad A Permitido | 14 | Parâmetros de fábrica | Parâmetros antes da saída da máquina |



Sensores de classificação Aberto/fechado
①
falha dos sensores de classificação: altere o uso dos sensores de classificação de 'ON' para 'NO', isso não influenciará o trabalho da máquina.após a mudança para novos sensores .mude 'NÃO' para 'LIGADO'









②Mudança grande da largura do folheado :Por exemplo, de 1300 mm para 970 mm,ou de 2600 para 2000 mm,Feche os sensores 1#, 2#, 13# e 14#.






área de operação







Capítulo 3, Preparação da instalação



Montagem da Máquina
1. Para facilitar a transferência, a máquina é dividida em 6 partes









2.Etapas de montagem



3Conecte a mesa elevatória e a estação hidráulica

4Coloque o transportador de saída na posição correta



Depois de conectar o fio do motor, abra a tela, vá para a página de operação manual, clique na área de operação manual, verifique se o motor está funcionando na direção certa, se estiver errado, troque os 2 fios.





2. Insira a largura do folheado direito na tela
Observe: o 'conjunto de largura do folheado' deve ser o mesmo que a máquina de descascamento do folheado



3. Detectar revisão de largura

①
Obtenha um folheado e lembre-se de sua largura B =? ②Coloque-o no transportador antes dos sensores
③Abra o botão de emergência, o folheado passa pelos sensores ④ Clique em 'Detectar revisão de largura '







O




4.Sensor de batida folheado (interruptor de proximidade)
①Ajuste a distância do sensor de folheado e do dispositivo de folheado, 0,5 cm, a luz do sensor é brilhante!
②O espaçador isolante do sensor apenas toca a casa do mancal





5.Ajuste a chegada do folheado ao alcance efetivo do sensor
① Coloque um verniz a 5-6 cm do sensor acima, verifique se a luz está brilhante ou não 
② Se a luz do sensor não for brilhante, ajuste a faixa de alcance do sensor conforme a seguir.














6. Ajuste do sensor de chegada do folheado
①Ligue, coloque um folheado na frente do transportador nº 1, verifique a diferença de tempo entre a passagem do folheado pelo caminho do ar e o impulso da tira de folheado. se não entrar completamente, mas empurrar para fora, por favor, ajuste 'Pilha de grau A atrasada'















7. Ajuste a potência do ventilador
①A potência do ventilador precisa ser ajustada de acordo com a espessura e a umidade do folheado.
②Se o folheado não puder ser absorvido no caminho do ar, aumente a potência do ventilador

③Se o folheado for parado para frente, reduza a potência do ventilador


















Capítulo 5、Problemas e soluções comuns
Problema 1: Falha na mesa de elevação
①Ligue ou corte ② Verifique os sensores
③ linha desgastada 4 Ruptura da junta do fio
Problema 2: Falha no transportador
①Ligue ou corte ②Quebra da junção do fio
③Inversor: Número significa normal 4código de bagunça significa problema
Problema 3: Falha do ventilador
①Ligue ou corte ② Verifique a condição do motor

③Inversor: Número significa normal 4código de bagunça significa problema
Problema 4: Classificando a falha do cilindro
①Modo de trabalho é 'Folheado não qualificado' ② Junta do tubo de ar
③Pressão do tubo de ar 15h-17h 4Válvula solenóide


Problema 5: Parada Automática da Máquina
① Ligar ou cortar ② Inversor: Número ou código de malha

③ Verifique os sensores de limite C e os sensores de limite inferior E brilhantes ao mesmo tempo?









1. Verifique se todos os parafusos estão apertados. A nova máquina precisa verificar todos os parafusos 3 a 5 dias
3-5 dias

2. Corrente, engrenagem precisa ser lubrificada 2-3 vezes por turno
2-3 vezes /shift3.manter o ventilador limpo.
4. Verifique todos os sensores regularmente
5. Verifique todas as condições da correia e condições de trabalho
6. Verifique o medidor de óleo da estação hidráulica regularmente
7. Rolamentos e peças deslizantes devem ser lubrificados regularmente.
①Dispositivo de veneer beat lubrificado 2 vezes/dia ② Separador de água e óleo
③ Barras deslizantes 2-3 vezes por turno ④O rolamento deve ser lubrificado oportunamente


